|
Модель
|
170FM |
|
Тип двигателя
|
OHV, 4-хтакт., 1 цилиндровый |
|
Мощность двигателя (л. с.)
|
7 |
|
Объем двигателя (куб. см)
|
212 |
|
Пуск двигателя
|
Ручной |
|
Емкость топл. бака, л
|
3.6 |
|
Расход топлива, г/кВт/ч
|
374 |
|
Габариты, (ДхШхВ), мм
|
395х360х360 |
|
Масса, кг
|
17 |
|
Импортер
|
ООО «Старк-ТМ», Минский район, д. Тарасово, проезд Тарасовский, д.2А, каб.3 |
|
Тип топлива
|
Бензин |
|
Изготовитель
|
Lifan lndustry (Group) Co., Ltd. Lifan Mansion, No.16, FengXi Road, Caijiagang Town, Beibei district, Chongqing, China |
|
Производитель
|
LIFAN |
|
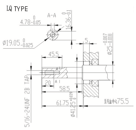
Вал
|
Горизонтальный, 19.05мм |
|
Объём масла (л)
|
0,6 |
|
Редуктор
|
нет |
|
Катушка освещ., А
|
нет |
|
Гарантия, мес.
|
24 |
Бензиновый двигатель Lifan 170FM разработан для установки на малую мототехнику бытового уровня. Наиболее хорошо подходит он для установки на культиваторы и мотоблоки, мотобуксировщики, мотопомпы, генераторы и другую технику. Данный двигатель адаптирован к работе в условиях повышенной нагрузки, а также отличается экономичностью и экологичностью. Недорогой и удобный в обслуживании двигатель станет Вам надежным помощником на приусадебном участке. Данный мотор пришел на смену зарекомендовавшему себя двигателю 170F ECO
Это четырехтактный одноцилиндровый двигатель внутреннего сгорания. Рабочий объем цилиндра составляет 212 кубических сантиметров, номинальная мощность достигает 5,7 лошадиных сил, а максимальная может достигать 7 лошадиных сил. Диаметр цилиндра и тип газораспределительного механизма позволяют обеспечить компактные размеры двигателя, он свободно устанавливается на многие модели малой сельскохозяйственной техники. В качестве топлива эта модель использует широко распространенный автомобильный бензин марки АИ-92, потому проблем с горючим не возникнет. Коленчатый вал имеет горизонтальное расположение, это также способствует небольшим размерам, а кроме того существенно упрощает конструкцию и монтаж силового агрегата на шасси. Крутящий момент достигает 11.5 Н.м при 2500 оборотов в минуту, при этом сохраняется высокая стабильность работы и небольшой расход бензина. Емкость топливного бачка равна 3,6 литрам, одной заправки достаточно для длительной непрерывной работы. В качестве смазки используется доступное и известное каждому автомобилисту моторное масло 10х30, 10х40 для одной заправки маслом требуется не более 0.6 литра. Транзисторная система зажигания проста в обслуживании и долговечна, она способствует стабильной работе двигателя при любых условиях.
Двигатель Lifan 170FM обладает массой в 17 килограммов, это легковесный и компактный агрегат, он способен обеспечить высокую продуктивность работы при минимальных затратах и потерях. Его простая конструкция не создаст проблем при установке или при обслуживании, использование эффективного воздушного охлаждения позволяет активно использовать мотор даже в жаркую погоду, удобный пусковой тросик обеспечивает легкий запуск двигателя.
Преимущества двигателя Lifan 170FM
-Двигатель 4х тактный, одноцилиндровый, OHV, горизонтальный вал, воздушное охлаждение.
-Зажигание электронное.
-Система запуска ручной старт.
-Легкий пуск система декомпрессии.
-Продуманная конструкция малый вес и габариты.
Вес, кг17
Расход топлива, г/кВт.ч374
Размеры, мм395*360*360
Расположение вала - горизонтальное
Тип двигателя - бензиновый, 4-хтактный, одноцилиндровый, с воздушным охлаждением
Ход поршня, мм55
Рабочий объем, см3212
Степень сжатия 8.5:1
Система зажигания - бесконтактное электронное
Максимальная выходная мощность при 3600 об/мин, кВт5.2
Емкость топливного бака, л3.6
Диаметр цилиндра, мм70
Диаметр вала, мм19
Запус - кручной стартер
Макc. крутящий момент, Н.м / об./мин.11.5/2500
Номинальная мощность, кВт4.2
Мощность, л.с.:7
Объем масляного картера, л0,6
| Рассрочка | Срок рассрочки, мес | Первый взнос, руб | Ежемесячный платеж, руб | Итого, руб |
| Карта Магнит Беларусбанк | 3 | 0 | 138.34 | 415 |
| Карта Черепаха Банк ВТБ | 8 | 0 | 51.88 | 415 |
| Карта покупок Белгазпромбанк | 3 | 0 | 138.34 | 415 |
| Карта Халва МТБанк | 2 | 0 | 207.5 | 415 |
| Карта Fun БПС Сбербанк | 6 | 0 | 69.17 | 415 |
| Карта Смарт Банк Дабрабыт | 2 | 0 | 207.5 | 415 |
| Карта Халва MAX МТБанк | 4 | 0 | 103.75 | 415 |
| Карта Халва MIX МТБанк | 2 | 0 | 207.5 | 415 |
| Кредит Комбо 12 | 12 | 0 | 41.19 | 494.27 |
| Кредит комбо 18 | 18 | 0 | 29.67 | 533.9 |
| Кредит комбо 24 | 24 | 0 | 23.9 | 573.53 |
| Кредит комбо 36 | 36 | 0 | 18.14 | 652.8 |
| Кредит комбо 48 | 48 | 0 | 15.26 | 732.06 |
| Кредит комбо 60 | 60 | 0 | 13.53 | 811.33 |
| Рассрочка 6 | 6 | 0 | 69.17 | 415 |
| Рассрочка 9 | 9 | 0 | 46.12 | 415 |
| Рассрочка 10 | 10 | 0 | 41.5 | 415 |
| Рассрочка 11 | 11 | 0 | 37.73 | 415 |
| Рассрочка 12 | 12 | 0 | 34.59 | 415 |
| Рассрочка 15 | 15 | 0 | 27.67 | 415 |
| Карта Магнит RED Беларусбанк | 5 | 0 | 103.75 | 415 |
продуктах кредитования и рассрочки можно по телефонам:


В интернет магазине Агромотоцентр можете выбрать удобный для Вас способ оплаты.
Наличный расчет. Удобный метод оплаты в магазине или при доставке товара курьером. Расчет в белорусских рублях.
Банковская карта. Банковской картой Вы можете рассчитаться при доставке товара курьером, при покупке в магазине. Мы принимаем MasterCard, Visa Electron, Visa, Maestro, Белкарт, Мир и карты рассрочки.
ЕРИП. Оплату Вы можете произвести в интернет-банкинге, мобильном банкинге, инфокиоске, банкомате, кассе и т.д. Совершить оплату можно с использованием наличных денежных средств, любых электронных денег, банковских платежных карточек.
WEBPAY. Безопасный сервер WEBPAY устанавливает шифрованное соединение по защищенному протоколу TLS и конфиденциально принимает от клиента данные его платёжной карты (номер карты, имя держателя, дату окончания действия, и контрольный номер банковской карточке CVC/CVC2).
Безналичный расчет (для юридических лиц). Для покупки по безналичному расчету необходимо заказать удобным для Вас способом договор или счет на оплату товара, произвести оплату и при получении иметь при себе доверенность на получение материальных ценностей. Для оптовых покупателей и торговых представителей действуют специальные цены и условия!
Если у Вас возникли дополнительные вопросы, можете обратиться к нам по телефонам:
+375 (29) 335-66-88
+375 (33) 335-66-88
Самовывоз. Адрес магазина-склада: Минский р-н, д. Тарасово, проезд Тарасовский, д.2А, 3 этаж. Можете забрать товар в подходящее для Вас время с 9:00 до 18:00 (Сб. с 09:00 до 16:00, Вс. выходной).
Доставка курьером. Доставка по Минску и Минскому району осуществляется в течение 1- 2 дней, по Беларуси - 2-4 дней.
Доставка почтой. Пересылка по всей Беларуси по тарифам "Белпочты". Срок 3-5 дней.
Рассчитать стоимость доставки "Белпочта"
Уточнить сроки и условия доставки в Ваш населенный пункт можно по телефонам:
